Москва
Москва
Пенза
Санкт-Петербург
г. Москва, Пресненская наб., 12, 45 эт., оф. 82
+7 (495) 668-10-92 +7 (8412) 35-07-97
EN
Войти
ПромАрм
Производство дисковых затворов, шиберных и шланговых задвижек. Комплексные поставки трубопроводной арматуры
0 0
info@promarm.ru
Оставить заявку
Каталог
  • Трубопроводная запорная арматура
    • Дисковые поворотные затворы
      • ПА 200
      • ПА 300
      • ПА 400
      • ПА 600
      • ПА 700
      • ПА 900
    • Шиберные ножевые задвижки
      • ПА 510
      • ПА 520
      • ПА 530
      • ПА 540
      • ПА 550
      • ПА 560
      • ПА 570
    • Шланговые задвижки
      • ПА 810
      • ПА 820
      • ПА 830
      • ПА 840
  • Устройства управления арматурой
    • Электроприводы
      • ПА 003
      • Электроприводы ПА 03
      • Электроприводы ПА 05
    • Пневмоприводы
      • Пневмоприводы ПА 01
      • Пневмоприводы ПА 02
    • Колонки управления
      • ПА-КУЗП
      • ПА-КУЗШ
      • ПА-КУЗШл
      • ПА-КУЗК
  • Дополнительная комплектация
    • Установка приводов
    • Ответные фланцы и крепеж
    • Затворы с указателем положения
    • Затворы с БКВ
    • Термочехлы
  • Продукция других производителей
    • Клапаны
      • Клапаны запорные
      • Клапаны отсечные
      • Клапаны предохранительные
      • Клапаны распределительные
      • Клапаны регулирующие
      • Клапаны смесительные
    • Шаровые краны
    • Обратные затворы
    • Задвижки
    • Фильтры сетчатые
О компании
  • О компании
  • Производство
  • Дилеры
  • Референц-лист
  • Отзывы
  • Сертификаты, разрешения
  • Вакансии
  • Новости
Отраслевые решения
Полезные материалы
  • Подбор по среде
  • Сертификаты, разрешения
  • Описание серий
    • Дисковые поворотные затворы
      • ПА 200
      • ПА 300
      • ПА 400
      • ПА 600
      • ПА 700
      • ПА 900
    • Шиберные ножевые задвижки
      • ПА 510
      • ПА 520
      • ПА 530
      • ПА 540
      • ПА 550
      • ПА 560
      • ПА 570
    • Шланговые задвижки
      • ПА 810
      • ПА 820
      • ПА 830
      • ПА 840
    • Электроприводы
      • ПА 003
      • Электроприводы ПА 03
      • Электроприводы ПА 05
    • Пневмоприводы
      • Пневмоприводы ПА 01
      • Пневмоприводы ПА 02
    • Колонки управления
Контакты
Меню
ПромАрм
Москва
Москва
Пенза
Санкт-Петербург
г. Москва, Пресненская наб., 12, 45 эт., оф. 82
+7 (495) 668-10-92 +7 (8412) 35-07-97
0 0
info@promarm.ru
Оставить заявку
Войти
ПромАрм
0 0
EN
Каталог
О компании
Отраслевые решения
Полезные материалы
Контакты
Москва
г. Москва, Пресненская наб., 12, 45 эт., оф. 82
info@promarm.ru
Оставить заявку
Войти
Назад
Каталог
Трубопроводная запорная арматура
Устройства управления арматурой
Дополнительная комплектация
Продукция других производителей
О компании
О компании
Производство
Дилеры
Референц-лист
Отзывы
Сертификаты, разрешения
Вакансии
Новости
Полезные материалы
Подбор по среде
Сертификаты, разрешения
Описание серий
Назад
Трубопроводная запорная арматура
Дисковые поворотные затворы
ПА 200
ПА 300
ПА 400
ПА 600
ПА 700
ПА 900
Шиберные ножевые задвижки
ПА 510
ПА 520
ПА 530
ПА 540
ПА 550
ПА 560
ПА 570
Шланговые задвижки
ПА 810
ПА 820
ПА 830
ПА 840
Устройства управления арматурой
Электроприводы
ПА 003
Электроприводы ПА 03
Электроприводы ПА 05
Пневмоприводы
Пневмоприводы ПА 01
Пневмоприводы ПА 02
Колонки управления
ПА-КУЗП
ПА-КУЗШ
ПА-КУЗШл
ПА-КУЗК
Дополнительная комплектация
Установка приводов
Ответные фланцы и крепеж
Затворы с указателем положения
Затворы с БКВ
Термочехлы
Продукция других производителей
Клапаны
Клапаны запорные
Клапаны отсечные
Клапаны предохранительные
Клапаны распределительные
Клапаны регулирующие
Клапаны смесительные
Шаровые краны
Обратные затворы
Задвижки
Фильтры сетчатые
Описание серий
Дисковые поворотные затворы
ПА 200
ПА 300
ПА 400
ПА 600
ПА 700
ПА 900
Шиберные ножевые задвижки
ПА 510
ПА 520
ПА 530
ПА 540
ПА 550
ПА 560
ПА 570
Шланговая арматура
ПА 810
ПА 820
ПА 830
ПА 840
Электроприводы
ПА 003
Электроприводы ПА 03
Электроприводы ПА 05
Пневмоприводы
Пневмоприводы ПА 01
Пневмоприводы ПА 02
Колонки управления
Каталог
О компании
Отраслевые решения
Полезные материалы
Контакты
Каталог
Трубопроводная запорная арматура
Устройства управления арматурой
Дополнительная комплектация
Продукция других производителей
О компании
О компании
Производство
Дилеры
Референц-лист
Отзывы
Сертификаты, разрешения
Вакансии
Новости
Полезные материалы
Подбор по среде
Сертификаты, разрешения
Описание серий
Трубопроводная запорная арматура
Дисковые поворотные затворы
ПА 200
ПА 300
ПА 400
ПА 600
ПА 700
ПА 900
Шиберные ножевые задвижки
ПА 510
ПА 520
ПА 530
ПА 540
ПА 550
ПА 560
ПА 570
Шланговые задвижки
ПА 810
ПА 820
ПА 830
ПА 840
Устройства управления арматурой
Электроприводы
ПА 003
Электроприводы ПА 03
Электроприводы ПА 05
Пневмоприводы
Пневмоприводы ПА 01
Пневмоприводы ПА 02
Колонки управления
ПА-КУЗП
ПА-КУЗШ
ПА-КУЗШл
ПА-КУЗК
Дополнительная комплектация
Установка приводов
Ответные фланцы и крепеж
Затворы с указателем положения
Затворы с БКВ
Термочехлы
Продукция других производителей
Клапаны
Клапаны запорные
Клапаны отсечные
Клапаны предохранительные
Клапаны распределительные
Клапаны регулирующие
Клапаны смесительные
Шаровые краны
Обратные затворы
Задвижки
Фильтры сетчатые
Описание серий
Дисковые поворотные затворы
ПА 200
ПА 300
ПА 400
ПА 600
ПА 700
ПА 900
Шиберные ножевые задвижки
ПА 510
ПА 520
ПА 530
ПА 540
ПА 550
ПА 560
ПА 570
Шланговая арматура
ПА 810
ПА 820
ПА 830
ПА 840
Электроприводы
ПА 003
Электроприводы ПА 03
Электроприводы ПА 05
Пневмоприводы
Пневмоприводы ПА 01
Пневмоприводы ПА 02
Колонки управления
  • Главная
  • Описание серий
  • Клапаны пережимные ПА 830
  • Шланговые задвижки
  • ПА 830

Клапаны пережимные ПА 830

Посмотреть Пережимные клапаны ПА 830 в каталоге →

Описание

Пережимные клапаны серии ПА 830 предназначены для перекрытия и регулирования потоков жидких и сыпучих абразивных сред, порошков, гранулятов, волокнистых сред.

Управление клапаном осуществляется путем подачи сжатого воздуха через специальный штуцер в полость между корпусом и внешней стенкой патрубка. При этом для корректной работы давление управляющего воздуха должно быть минимум на 2 бар выше давления рабочей среды внутри патрубка.

Высококачественная резина является стандартным материалом патрубка.

Закрытый корпус защищает патрубок от механических повреждений и обеспечивает вторичную защитную оболочку для процесса при разрушении патрубка. Патрубки легко заменяемы.

Резиновые патрубки имеют бурты, выступающие в качестве прокладок торцевых фланцев, что обеспечивает герметичную установку в технологические трубопроводы.

Полнопроходная конструкция снижает перепад давления и турбулентность потока.

Для работы с абразивными и химически активными технологическими средами имеется широкий ассортимент манжет из различных материалов.

Изготовление и поставка: По ТУ 3742-019-55604618-2017
Тип конструкции: Клапан пережимной
Диаметр номинальный DN 50 – DN 300
Давление рабочее: 6 кгс/см2
Рабочая температура: до +80°С
Управление: - пневмоуправление
Класс герметичности: «А» по ГОСТ Р 54808-2011
Основные рабочие среды: абразивная пульпа, цемент, песок, буровые растворы, канализационные стоки, комбикорм, вода
Направление подачи среды: любое
Климатическое исполнение: У1 по ГОСТ 15150-69
Присоединение: - фланцевое, ответные фланцы – по ГОСТ 33259-15, тип 01 или 11, исполнение B)

Гарантийные обязательства

Гарантийный срок эксплуатации – 12 месяцев со дня ввода в эксплуатацию, но не более 18 месяцев с момента продажи при условии соблюдения потребителем правил транспортировки, монтажа и эксплуатации.

Срок консервации – 3 года.

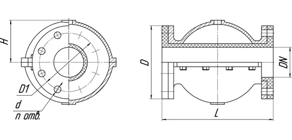
Основные габаритные и присоединительные размеры


Номинальный диаметр DN, мм Рабочее давление, кгс/см2 Материал корпуса Материал патрубка Размеры, мм Масса, кг
L D D1 n d G
50 6 алюминий натуральный каучук 195 165 125 4 18 1/4 4
65 6 алюминий натуральный каучук 230 185 145 4 18 1/4 7
80 6 алюминий натуральный каучук 280 200 160 8 18 1/4 8
100 6 алюминий натуральный каучук 360 220 180 8 18 1/4 11
125 6 алюминий натуральный каучук 445 250 210 8 18 1/4 18
150 6 алюминий натуральный каучук 500 285 240 8 22 1/4 27
200 6 алюминий натуральный каучук 560 340 295 8 22 3/8 53
250 6 алюминий натуральный каучук 630 395 350 12 22 1/2 80
300 6 алюминий натуральный каучук 730 445 400 12 22 1/2 108

ООО «ПромАрм» оставляет за собой право вносить изменения в конструкцию, не влияющие на функциональные характеристики оборудования.

Заказать ПА 830 в каталоге

  • Дисковые поворотные затворы
  • Шиберные ножевые задвижки
  • Шланговые задвижки
    • ПА 810
    • ПА 820
    • ПА 830
    • ПА 840
  • Электроприводы
  • Пневмоприводы
  • Колонки управления
Контакты
Адрес производства
Россия, г. Пенза, ул. Баумана, 101 В
Офис
Россия, г. Москва, Пресненская наб., 12, 45 эт., оф. 82
(ММДЦ "Москва-Сити", Башня "Федерация Запад")
+7 (495) 668-10-92
+7 (8412) 35-07-97
info@promarm.ru
Сделать заказ
О нас
О компании
Производство
Склад
Наши дилеры
Референц-лист
Сертификаты, разрешения
Контакты
Каталог
Трубопроводная запорная арматура
Дисковые поворотные затворы
Шиберные ножевые задвижки
Шланговые задвижки
Дополнительная комплектация
Установка приводов
Ответные фланцы и крепеж
Затворы с указателем положения
Затворы с БКВ
Термочехлы
Устройства управления арматурой
Электроприводы
Пневмоприводы
Колонки управления
Контакты
Адрес производства Россия, г. Пенза, ул. Баумана, 101 В
Офис
Россия, г. Москва, Пресненская наб., 12, 45 эт., оф. 82
(ММДЦ "Москва-Сити", Башня "Федерация Запад")
+7 (495) 668-10-92
+7 (8412) 35-07-97
info@promarm.ru
Сделать заказ
Сделать заказ
Компания
О компании
Производство
Склад
Наши дилеры
Референц-лист
Сертификаты, разрешения
Контакты
Отзывы
Вакансии
Новости
Статьи
Отраслевые решения
Каталог
Трубопроводная запорная арматура
Дисковые поворотные затворы
Шиберные ножевые задвижки
Шланговые задвижки
Дополнительная комплектация
Установка приводов
Ответные фланцы и крепеж
Затворы с указателем положения
Затворы с БКВ
Термочехлы
Устройства управления арматурой
Электроприводы
Пневмоприводы
Колонки управления
© 2001-2026 ПромАрм® Все права защищены.
Пользовательское соглашение
ּ ג סמצסועץ
© 2001-2026 ПромАрм® Все права защищены.
Пользовательское соглашение
ּ ג סמצסועץ
0
Корзина
Ваша корзина пуста
Исправить это просто: выберите в каталоге интересующий товар и нажмите кнопку «В корзину»
В каталог
Мы используем файлы cookies, чтобы улучшить работу сайта. Продолжая пользоваться сайтом, вы соглашаетесь с политикой использования файлов cookies.